電話:0713-2115858
0713-2115868
電話:0713-2115858
0713-2115868

產品性能:
適用于交流50~60Hz;AC380V;DC220V;電流20A的電氣線路中,作為起重機限制提升機構的行程,亦可作自動化系統或電力拖動裝置的終端開關。
型號規格:
型號 | 防護等級 | 防護類別 | 控制回路數 |
LX7-1 | IP30 | 防護式 | 1 |
LX7-2 | 2 | ||
LX7-1S | IP35 | 防水式 | 1 |
LX7-2S | 2 |
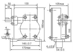
結構概述:
行程開關由于防護形式不同,故外殼所采用的制作材料也不同。該行程開關內主要裝有蝸輪、蝸桿減速裝置、凸輪片和接觸組,當蝸輪軸帶動凸輪旋轉時,通過傳動裝置使動觸臂轉動,從而帶動接觸組動靜觸頭的分合。
技術參數:
使用類別 | 電源類別 | 額定絕緣電壓(V) | 額定工作電流 (A) | 約定發熱電流(A) | 安裝類別 | 傳動比 | 操作頻率次 /h |
AC-15 | AC | 380 | 2.6 | 20 | Ⅱ | 1:50 | 300 |
DC-13 | DC | 220 | 0.4 |